
化学物質の最適な投与量を決定します
凝集を使用して下水を治療する場合、最適な凝集剤と最適な投与量があります。凝集剤の最適な投与量は、凝集剤の最小投与量を指し、確立された水質目標を達成します。これは、下水flocculation治療に重要な技術的および経済的重要性を持っています。一般に、最適な投与量は、実験室シミュレーションとオンサイトの方法を組み合わせることで決定されます。 4つの主要な実験室シミュレーション方法があります:ビーカー攪拌検査、ポテンディオメトリック分析、コロイド滴定、ろ過。
多くの影響要因により、データは一般に凝集ビーカー攪拌実験によって得られます。テストには3つのステップが含まれています。急速な攪拌、遅い攪拌、静的沈降:添加された凝集剤は、急速な攪拌後にすぐに分散し、水サンプルのコロイド粒子に接触し、コロイド粒子が凝集してマイクロフロックを生成し始めます。ゆっくりと攪拌することにより、マイクロフロックはさらに互いに接触し、より大きな粒子に成長します。攪拌を停止した後、形成されたコロイド凝集体は自然に重力によりビーカーの底に落ち着きます。凝集性沈降、上清濁度、CODCR、色、pH値など、凝集効果の包括的な評価を通じて、適切な凝集剤の品種とその最適な投与量が決定されます。テスト中、原水と実際の水質はまったく同じでなければならず、凝集剤、投与量、添加シーケンス、および油圧条件(主に凝集時の攪拌程度と凝集反応時間(混合時間を除く)が同じか近接でなければなりません。
以下は、ビーカー凝固堆積実験における凝固剤の最適な投与量を決定するための特定の操作方法です。
使用装置:ビーカー、凝固テストアジテーター、シリンダーの測定、原水サンプル、濁度計、pH値、温度計。
原水の特性(水サンプルの濁度、pH値、温度など)を決定し、それらを記録します。
6 1000 mlビーカーを取得し、等量の原水サンプルを満たします。
6つのビーカーを凝固テストアジテーターの固定位置に配置し、6つのミキシングカップに異なる速度と時間を設定します。
ピペットを使用して、同じ量の凝固剤を事前に投与管に順番に追加し、アジテーターを開始します。
混合が完了したら、アジテーターをオフにして、さまざまな混合カップの静的沈降中のミョウバンの花の形成を観察します。
10分後、6カップの上清の30-50 mlを50mlのシリンジ(ピペット)で引き出し、500mlのミキシングカップに入れます。
濁度計の6カップの異なる濁度を直ちに測定し、記録し、比較します。
最良の用量の選択肢として、最小の濁度でビーカーを取ります。
もちろん、凝固剤の投与量を判断するには多くの方法があります。また、友人はコメント領域で話し合い、誰もが学ぶためにあなたが考える最も簡単で限られた方法を書き留めることができます。
投与量の計算に関しては、最も便利な方法は、同様の水質を持つ建設された下水処理プラントのデータを参照し、前者に基づいて適切な調整を行うことです。
凝固剤の計算:t=aq\/1000
t --毎日の凝固剤投与量(kg\/d)
--単位凝固剤の最大投与量(mg\/l)
Q --毎日処理された水量(M3\/D)
固体凝固剤と液体凝固剤の違い
試薬の固体および液体状態によれば、投与方法は乾燥投与と湿潤投与に分割することができます。
例としてPACを採用すると、ソリッドPACの使用は試薬貯蔵に便利であり、貯蔵タンクが占めるエリアを減らします。ただし、次の欠点もあります。
下水処理プラントの労働者の数を増やし、労働強度は比較的高い。
固体試薬の開梱中は、溶解するタンクに織られた袋の破片を避け、パイプの詰まりを引き起こすことは困難です。
試薬と水は不均一に混合される可能性があり、凝固効果が影響を受けます。
保管および取り扱いプロセスは、投与室の衛生環境に大きな影響を与えます。
液体PACの追加は、上記の欠点のいくつかを克服し、人材を節約し、衛生条件が良好で、コストが低くなります。ただし、液体凝固剤の添加には、複雑な投与システム、広い面積、機器の簡単な腐食などの問題もあります。
したがって、それを改善するために特定の措置を講じることも非常に必要です。
統合された投与システムを使用します。つまり、床面積を減らすために、溶解、攪拌、定量的制御、投与、その他の部品の組み合わせを最適化します。たとえば、液体貯蔵タンクは下部に配置され、溶解剤と攪拌装置が上部に配置され、液体貯蔵タンクの上の空きスペースにプラットフォームが設置されています。定量的制御および投与装置はプラットフォーム上に配置されており、機器の床面積を大幅に削減できます。
溶解剤の攪拌装置には、パドルスターラーを使用し、バッフルとガイドチューブを装備しています。攪拌溶液の全体的な回転を排除し、軸方向と放射状の流れを強化し、乱流を増加させ、攪拌効果を改善し、溶解効率を改善するために使用されます。
特定の腐食防止対策を講じます。攪拌部の場合、エポキシプライマーとエポキシトップコートを適用できます。エージェントが非常に腐食性の場合、グラスファイバー、ゴム、エナメルなどの腐食防止材料を使用できます。投与パイプの場合、投与量に応じてプラスチックパイプまたはゴムパイプが使用されます。
投与方法の選択
同様に、投与方法は、乾燥投与と湿潤投与に分割されます。
乾燥投与は測定と制御が困難であり、規制のパフォーマンスが低いです。主に乾燥した投与機を使用して、固体剤を水または溶解容器に直接入れてから水に入れます。
湿った投与は、高レベルの溶液プールでの重力投与、ポンプの前の投与、水排出器による投与、水ポンプによる投与、その他多くの形態に分割することができます。

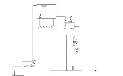
(1)重力投与
液体薬は高レベルの溶液プールから流れ出て、一定の液体レベルの水タンクを通して重力によって水に入れられます。より一般的な調整方法は、投与パイプラインのバルブを調整し、ローター流量計の指標を観察し、投与量を変更することです。この投与方法は、吸水ポンプ室が水植物から遠く離れている人に適しています。安全で信頼性がありますが、ソリューションプールの場所が高くなっています。
1溶解タンク2溶液タンク3リフティングポンプ
4ウォーターシールボックス5フロートバルブ6フローメーター
7コントロールバルブ8圧力パイプ

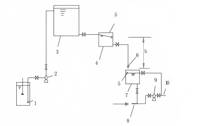
(2)ポンプの前の投与
液体薬は、ウォーターポンプ吸引パイプまたは吸引パイプの頭に加えられます。この投与方法は安全で信頼性が高く、一般的に水摂取ポンプ室が水プラントに近い人に適しています。
1溶解タンク2リフティングポンプ3溶液タンク
4レベルウォータータンク5フロートバルブ6剤ノズル
7ウォーターシールボックス8吸引パイプ9ポンプ10圧力パイプ

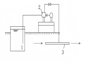
(3)水排出器注入
高圧水は、ノズルと喉の間の真空吸引により液体薬を吸うために使用され、同時に、水の残留圧力で原水パイプに注入されます。 Water Ejectorの効率は低く、着用しやすいですが、機器はシンプルで使いやすく、ソリューションプールの高さはそれほど制限されていません。
1つのソリューションタンク2投与量ボックス3ファンネル
4水エジェクター5圧力パイプ6高圧水道管

(4)計量ポンプによる投与
従来の方法は、遠心投与ポンプを使用して薬物溶液を水に届けることです。調整方法は、投与パイプラインのバルブとローターフローメーターの表示を調整することです。その後、計量ポンプでの投与の適用が現れ始めました。計量ポンプの投与は、追加のメーター装置を必要とせず、凝固剤の自動制御システムに適しており、薬物と水の混合を助長します。
1溶液タンク2メーターポンプ3圧力パイプ
中程度の中規模の下水処理プラントの場合、ポンプの前の重力投与を一般的に使用する必要があります。
その最大の利点は、機器の混合の必要性を排除することですが、注意する必要がある2つのポイントがあります。まず、空気の導入を防ぐためにウォーターシールボックスを設定する必要があります。第二に、ウォーターポンプから反応タンクへのパイプラインはあまり長くないはずです。さもなければ、試薬はパイプラインで反応し、反応タンクに簡単に壊れるミョウバンの花を形成し、壊れた後に凝集して凝固効果に影響を与えることは困難です。
大量の給水または下水処理プラントの場合、ポンプ後の圧力投与を使用できます。そのコア機器は酸耐性のメーターポンプで、ポンプステーションが反応タンクから遠く離れている状況に特に適しています。
凝固剤希釈因子と濃度
ポリマー、特に有機ポリマー凝固剤の場合、それらが線形である場合、長いカーボンチェーンで官能基の役割を果たすために、それらを完全に伸ばす必要があるため、希釈溶液を準備する必要があります。
一般に、有機ポリマー凝固剤の濃度は約{0。1%であり、無機ポリマー凝固剤は高くなる可能性がありますが、添加後の混合効果は保証する必要があります。
無機ポリマー凝固剤PAC(多塩基性塩化アルミニウム)を例として摂取すると、薬剤の品質を保証できない場合、濃度が低すぎるべきではありません。
これは、PAC溶液の濃度が低すぎると、溶液のpH値がある程度上昇し、溶解性生成物を伴う一部の金属イオンが酸化物の形で沈殿するため、パイプラインをブロックする不純物を形成するためです。
市場で供給されるほとんどのPACエージェントは、アルミニウムに加えて他の金属要素を含む鉱物原料で作られていることが理解されています。コストを制御するために、一部のメーカーは不純物除去のプロセスを簡素化しました。これにより、最終的にはPAC最終製品にかなりの量の他の金属イオンが存在します。
投与点の選択
(1)複数の点またはある時点で化学物質を追加できます。ただし、投与点は層流エリアに設定する必要があります。同時に、滞留時間を延長し、凝固反応効果を高めるために、反応タンクをバッフルに組み込むか、パーティションを装備する必要があります。
(2)操作を簡素化するという観点から、現在使用されている従来の方法である1回限りの追加を使用できます。試薬の量を保存して凝固効果を改善する場合は、バッチの追加を使用できます。つまり、混合機器の前に1つの部分と混合機器の後に1つの部分を追加できます。この方法が1回限りの追加よりも優れている理由は、異なる粒子サイズの粒子間の接触衝突凝固速度が、均一な粒子間の衝突凝固速度よりも大きいためです。
(3)必要なすべての凝固剤を処理された水の一部に加えることができ、十分な混合後、薬物の添加なしに水の別の部分と混合できます。この方法は、異なる粒子間の衝突凝固速度を高めることもできますが、複雑なプロセスの欠点もあります。
通常、凝固剤を追加するには3つのポイントがあります。
前処理段階:前処理段階に凝固剤を追加する目的は、前処理効果を強化し、前処理の除去効率を高め、微生物の成長を妨げる排泄物の毒性物質を除去することです。
生化学的治療段階:生化学治療段階での凝固剤の添加は、一般に微生物の凝集を増やすことであり、その後、その後の泥水分離施設で活性汚泥をより完全に分離できるようにします。
深い治療段階:生化学治療後の凝集剤の添加は、主に廃水の残りの非生分解性汚染物質を除去することであり、これは排水が治療後に基準を満たす保証尺度です。
投与システムの設計における重要なポイント
(1)投与室、薬物貯蔵、および消毒塩素供給室の構築を検討してください。この設計は、運用と管理を促進し、労働力を減らし、投資を節約することです。
(2)液体貯蔵タンクの容積を最適化して、液体供給を2時間確保する必要があります。時間が長すぎると、液体貯蔵タンクの容積が大きくなり、より多くのスペースを占有します。時間が短すぎる場合、操作は面倒になります。投与量が少ない場合は、溶解タンクと1つのタンクまたはボックスに組み合わせることができます。
(3)薬物貯蔵の貯蔵容量は、特定の状況に従って決定する必要があります。薬物の供給が十分で、輸送が便利である場合、最大投与量で20〜30日間保管することを考慮することができます。薬物供給条件が悪い場合は、最大投与量で60〜80日を保存することを考慮することができます。
(4)ポンプ前投与を使用する場合、投与システムは可能な限りポンプルームに近い必要があります。
(5)水道管に挿入された投与パイプの深さは、通常、水入口パイプの直径の1\/3から1\/4です。滑らかな投与を確保するために、投与パイプアウトレットの方向は、水入口パイプの水流方向と一致する必要があります。
投与システムのパイプ継手は、耐食性材料で作られるべきです。
